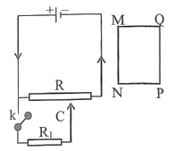
Một khung dây dẫn hình chữ nhật MNPQ đặt trong cùng một mặt phẳng với một mạch điện như hình vẽ. Khoá K đang mở, sau đó đóng lại thì trong khung dây MNPQ

Lời giải chi tiết
Khi khóa K đóng, một dòng điện tức thời sẽ chạy qua mạch chứa pin, R, và cả qua R1, C do mạch chứa R1, C song song với mạch chứa R. Dòng điện này gây ra một từ trường biến thiên xung quanh các dây dẫn. Khung dây MNPQ nằm trong từ trường biến thiên này nên sẽ có dòng điện cảm ứng do hiện tượng cảm ứng điện từ.
Theo định luật Lenz, dòng điện cảm ứng sinh ra sẽ có chiều sao cho từ trường do nó sinh ra luôn có xu hướng chống lại sự thay đổi từ thông ban đầu. Khi khóa K đóng lại, dòng điện tăng từ 0 đến một giá trị nhất định, điều này làm cho từ trường đột ngột tăng lên. Để chống lại sự tăng này, trong khung MNPQ sẽ có dòng điện cảm ứng có xu hướng ngược lại với từ trường này.
Do đó, dòng điện cảm ứng trong khung sẽ chạy theo chiều để chống lại từ trường sinh ra do dòng điện ban đầu. Nếu áp dụng quy tắc tay phải cho vòng dây, ta thấy chiều của dòng cảm ứng sẽ là MNPQ.
Vì vậy, ta chọn phương án B.
Chú ý khi giải